股票代码  003021
主页 > 预售产品 > 高性能电机系列 > 10mm高性能电机(25)
概述

10mm高性能电机(25)

产品型号:ZWSMD010010-25-01

外直径(mm):10

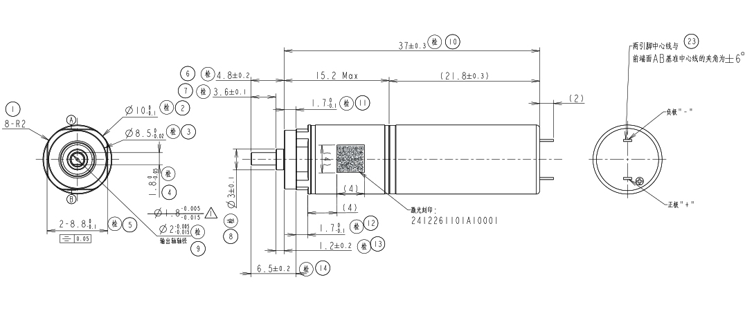
总长度(mm):37±0.3

减速比:25:1

额定电压(VDC):8

空载电流(mA MAX.REF):80

空载转速(RPM):865±15%

额定负载(gf.cm):256

额定转速(RPM):680±15%

额定电流(mA MAX):550

最大力矩(gf.cm):1500

空载噪音:变音小于5dB,稳定后不超出50dB(侧面30CM,环境噪音25dB)

空载回差(°MAX):2.5

电机参数
电机型号 10mm空心杯无刷电机
额定电压(VDC) 8
空载转速(RPM) 20000±10%
空载电流(mA REF) 50
额定负载力矩(gf.cm) 13.7
额定负载转速(RPM) 17000±10%
额定负载电流(A MAX) 0.45
堵转电流(A MAX) 2.7
堵转力矩(gf.cm MIN) 87
*注:以上具体参数可根据客户要求定制。

设计图纸

热门产品查看更多

资料下载

10mm高性能电机(25)规格书

不朽情缘mg官网 — 微型驱动系统制造商

专注于研发、生产精密驱动系统,为客户提供智能驱动方案设计,零件的生产与组装的定制化服务

立即咨询  >

粤ICP备11019966号     Copyright ? 2023  深圳市不朽情缘mg官网机电股份有限公司  

粤ICP备11019966号
Copyright  2023  深圳市不朽情缘mg官网机电股份有限公司

400-066-2287
服务热线


线

服务热线:400-066-2287
sitemap地图